Запасные части ЧТЗ Запасные части ЧТЗ
Красноярск
Например:
Актобе
Алдан
или
Выбрать автоматически
Актобе
Алдан
Алматы
Алчевск
Архангельск
Астана
Астрахань
Атырау
Баку
Балашиха
Барнаул
Белгород
Бердянск
Бишкек
Владивосток
Владикавказ
Воркута
Воронеж
Горловка
Грозный
Донецк
Екатеринбург
Иваново
Ижевск
Иркутск
Казань
Калининград
Каменск-Уральский
Караганда
Каховка
Кемерово
Киров
Комсомольск-на-Амуре
Костанай
Краснодар
Красноярск
Красный луч
Ленск
Луганск
Магадан
Магнитогорск
Макеевка
Махачкала
Мелитополь
Минск
Мирный (Якутия)
Москва
Мурманск
Нерюнгри
Нижневартовск
Нижний Новгород
Нижний Тагил
Новая каховка
Новокузнецк
Новосибирск
Новый Уренгой
Норильск
Ноябрьск
Нур-Султан
Омск
Оренбург
Ош
Павлодар
Пермь
Петрозаводск
Петропавловск
Петропавловск-Камчатский
Псков
Ростов-на-Дону
Салехард
Самара
Санкт-Петербург
Саратов
Севастополь
Семей
Симферополь
Сочи
Ставрополь
Сургут
Сыктывкар
Тараз
Ташкент
Токмак
Томск
Тында
Тюмень
Ульяновск
Усинск
Усть-Каменогорск
Уфа
Хабаровск
Ханты-Мансийск
Херсон
Челябинск
Чита
Шымкент
Экибастуз
Энергодар
Южно-Сахалинск
Якутск
Ваш город
Красноярск
Войти
Запасные части к тракторам на одном сайте
+7 (932) 303-00-10
+7 (932) 303-00-10
г. Красноярск, Северное шоссе, д. 17
Пн-Пт: 9:30-18:30 Cб-Вс: Выходной
Отправить заявку


Воздухоочиститель Д-160


/
с НДС 20%
Описание
Воздухоочиститель двигателя Д-160
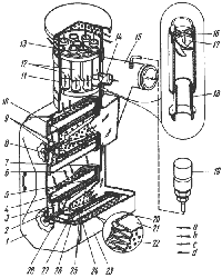
Рис. 14. Воздухоочиститель
1-крышка воздухоочистителя; 2-крышка основного фильтр-патрона; 3-крышка предохранительного фильтр-патрона; 4-фильтр-патрон основной; 5, 6-кольца резиновые уплотнительные; 7-обойма; 8-шпилька; 9-гайка; 10-стойка стяжная; 11-корпус мультициклона; 12-циклоны прямоточные; 13-воздухозаборник; 14-патрубок отсоса пыли из поддона мультициклона; 15-патрубок подвода воздуха к турбокомпрессору; 16-корпус циклона; 17-завих-ритель; 18-конус циклона; 19-сигнализатор засоренности; 20-сетка внутренняя основного фильтр-патрона; 21-элемент фильтрующий; 22-сетка наружная основного фильтр-патрона; 23-корпус воздухоочистителя; 24-кольцо резиновое уплотнительное; 25-кольца стопорные; 26-чехол матерчатый; 27-каркас предохранительного фильтр-патрона; 28-фильтр-патрон предохранительный; а-воздух неочищенный; b-воздух, прошедший очистку в первой ступени воздухоочистителя (мультициклоне); с-воздух, прошедший очистку во второй ступени воздухоочистителя (фильтр-патронах); d-удаление пыли.

На дизеле установлен двухступенчатый воздухоочиститель с эжекционным удалением пыли из первой ступени (рис. 14).

Грубая очистка воздуха осуществляется в первой ступени - мультициклоне, состоящем из двенадцати прямоточных циклонов.

Тонкая очистка воздуха осуществляется во второй ступени при его последовательном прохождении через основные бумажные фильтр-патроны и предохранительные фильтр-патроны со сменным матерчатым чехлом.

Для своевременного обслуживания воздухоочистителя, исключающего случаи работы дизеля с предельным сопротивлением, установлен сигнализатор засоренности воздухоочистителя.

Сопротивление воздухоочистителя, вызывающее разрежение в его выходном патрубке, фиксируется положением красного поршня сигнализатора. При предельном сопротивлении воздухоочистителя красный поршень полностью перекрывает прозрачное окно сигнализатора.

Сигнализатор соединен трубкой со штуцером в выходном патрубке воздухоочистителя. Сигнализатор состоит из пластмассового корпуса, внутри которого находится поршень красного цвета и возвратная пружина. Для определения степени засоренности ФП при работе дизеля на холостом ходу необходимо установить максимальную частоту вращения и включить сигнализатор, нажав колпачок на его торце.
Воздухоочиститель